سیل مکانیکی بروگمن سرامیک CA/CE/NBR مدل MG1
MG1 CA/CE/NBR Mechanical Seal
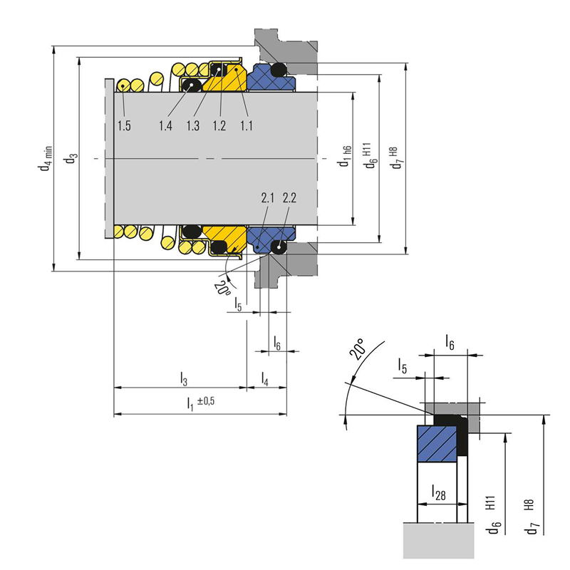
سیل مکانیکی بروگمن سرامیک مدلMG1 یک انتخاب حرفهای برای کاربردهای صنعتی و بهداشتی است. این سیل با طراحی بالانسشده، و قابلیت نصب تک یا دوتایی، گزینهای ایدهآل برای پمپهای آب، فاضلاب، صنایع غذایی، نفت، پتروشیمی و شیمیایی محسوب میشود. بدنه مقاوم از استیل ضدزنگ و کفی سرامیکی، عملکرد پایدار در دماهای بالا و فشار تا 16بار را تضمین میکند. طراحی خاص بدنه لاستیکی باعث محافظت کامل از شفت و آببندی دقیق میشود.طراحی آن مستقل از جهت چرخش است. این سیل مناسب پمپهای استاندارد، شناور، اسکرو و پمپهای انتقال مواد خورنده یا دوغاب است. اگر به دنبال آببندی مطمئن، مقاوم و با طول عمر بالا برای پمپهای صنعتی خود هستید، MG1 انتخابی هوشمندانه است. برای دریافت راهنمای نصب یا انتخاب دقیقتر، با ما در تماس باشید.

| Model | d1 | d7 | da | l | l28 | dST | d3 | db | |
| 10 بروگمن | MG1-10 | 10 | 21 | 22.5 | 14.5 | 6.6 | 24 | 15.7 | 20.5 |
| 12 بروگمن | MG1-12 | 12 | 23 | 25 | 15 | 6.6 | 26 | 17.7 | 22.5 |
| 14 بروگمن | MG1-14 | 14 | 25 | 28.5 | 17 | 6.6 | 30 | 19.7 | 26.5 |
| 15 بروگمن | MG1-15 | 15 | 27 | 28.5 | 17 | 6.6 | 30 | 20.8 | 26.5 |
| 16 بروگمن | MG1-16 | 16 | 27 | 28.5 | 17 | 6.6 | 30 | 21 | 26.5 |
| 18 بروگمن | MG1-18 | 18 | 33 | 32 | 19.5 | 7.5 | 33 | 23.7 | 29 |
| 20 بروگمن | MG1-20 | 20 | 35 | 37 | 21.5 | 7.5 | 38 | 26.7 | 33 |
| 22 بروگمن | MG1-22 | 22 | 37 | 37 | 21.5 | 7.5 | 38 | 27.7 | 33 |
| 24 بروگمن | MG1-24 | 24 | 39 | 42.5 | 22.5 | 7.5 | 44 | 31.2 | 38 |
| 25 بروگمن | MG1-25 | 25 | 40 | 42.5 | 23 | 7.5 | 44 | 31.2 | 38 |
| 28 بروگمن | MG1-28 | 28 | 43 | 49 | 26.5 | 7.5 | 50 | 35 | 44 |
| 30 بروگمن | MG1-30 | 30 | 45 | 49 | 26.5 | 7.5 | 50 | 37 | 44 |
| 32 بروگمن | MG1-32 | 32 | 48 | 53.5 | 27.5 | 7.5 | 55 | 40.2 | 46 |
| 33 بروگمن | MG1-33 | 33 | 48 | 53.5 | 27.5 | 7.5 | 55 | 40.2 | 46 |
| 35 بروگمن | MG1-35 | 35 | 50 | 57 | 28.5 | 7.5 | 59 | 43.2 | 50 |
| 38 بروگمن | MG1-38 | 38 | 56 | 59 | 30 | 9 | 61 | 46.2 | 53 |
| 40 بروگمن | MG1-40 | 40 | 58 | 62 | 30 | 9 | 64 | 48.8 | 55 |
| 43 بروگمن | MG1-43 | 43 | 61 | 65.5 | 30 | 9 | 67 | 51.8 | 58 |
| 45 بروگمن | MG1-45 | 45 | 63 | 68 | 30 | 9 | 70 | 53.8 | 60 |
| 48 بروگمن | MG1-48 | 48 | 66 | 70.5 | 30.5 | 9 | 74 | 56.8 | 63 |
| 50 بروگمن | MG1-50 | 50 | 70 | 74 | 30.5 | 9.5 | 77 | 58.8 | 65 |
| 53 بروگمن | MG1-53 | 53 | 73 | 78.5 | 33 | 11 | 81 | 62.2 | 70 |
| 55 بروگمن | MG1-55 | 55 | 75 | 81 | 35 | 11 | 83 | 64.2 | 72 |
| 58 بروگمن | MG1-58 | 58 | 78 | 85.5 | 37 | 11 | 88 | 67.2 | 75 |
| 60 بروگمن | MG1-60 | 60 | 80 | 88.5 | 38 | 11 | 91 | 70 | 79 |
| 65 بروگمن | MG1-65 | 65 | 85 | 93.5 | 40 | 11 | 96 | 75 | 84 |
| 68 بروگمن | MG1-68 | 68 | 90 | 96.5 | 40 | 11.3 | 100 | 78 | 88 |
| 70 بروگمن | MG1-70 | 70 | 92 | 99.5 | 40 | 11.3 | 103 | 80 | 90 |
| 75 بروگمن | MG1-75 | 75 | 97 | 107 | 40 | 11.3 | 110 | 85.5 | 95 |
| 80 بروگمن | MG1-80 | 80 | 105 | 112 | 40 | 12 | 116 | 90.5 | 100 |
| 85 بروگمن | MG1-85 | 85 | 110 | 120 | 41 | 14 | 124 | 96 | 107 |
| 90 بروگمن | MG1-90 | 90 | 115 | 127 | 45 | 14 | 131 | 102 | 114 |
| 95 بروگمن | MG1-95 | 95 | 120 | 132 | 46 | 14 | 136 | 107 | 119 |
| 100 بروگمن | MG1-100 | 100 | 125 | 137 | 47 | 14 | 140 | 112 | 124 |
مدل
MG1 معادل MG1 بروگمن
نوع سیل
لاستیکی (Rubber Bellows)
قطر شفت
10 تا 100 میلیمتر
محدوده دمایی
تا 45+ درجه سانتیگراد
فشار کاری
استاندارد تا 16 بار - خلأ تا 0.5 بار
جنس سطح سیل
کربن - CA
جنس نشیمنگاه
سرامیک - CER
جنس لاستیک
NBR
طول نصب محوری
استاندارد (مطابق با EN 12756)
نوع فنر
فنر تکی (Single Spring)
جهت چرخش
مستقل از جهت چرخش
سرعت لغزشی مجاز
تا 10 متر بر ثانیه
کشور سازنده
چین
شما هم درباره این کالا دیدگاه ثبت کنید